×
Transformador de Corriente 160/5A
Transformador 160/5A SPCT
Transformador de Corriente 160/5A
Transformador 160/5A SPCT

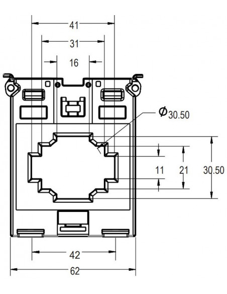
Número de parte: SPCT 62/40 160/5A VA1.5 CL1

Transformador de Corriente 160/5A

Montaje en Panel

84 piezas
¿Donde Comprar?
Carga en VA
  • 1.5
  • 3
Clase de Precisión
  • 1
 
Su código postal
SPCT 62/40 160/5A VAx.x CL1
Relación de Corriente 160/5
Carga en VA 1.5 o 3
Clasificación de precisión 1
Apertura para cable (mm) 40x10
Certificación
Serie
SPCT
Amperaje primario
160

Accesorios / Artículos relacionados

Product added to wishlist
Product added to compare.