×
Transformador de Corriente 200/5A
Transformador 200/5A SPCT
Transformador de Corriente 200/5A
Transformador 200/5A SPCT

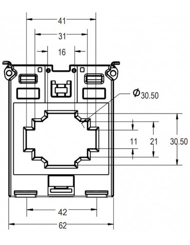
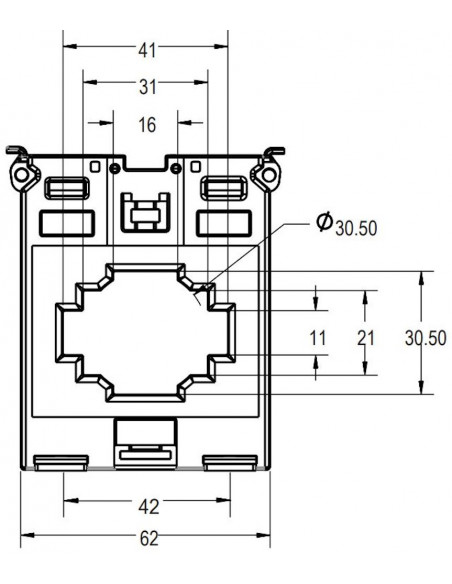
Número de parte: SPCT 62/40 200/5A VA2.5 CL0.5

Transformador de Corriente 200/5A

Montaje en Panel

89 piezas
¿Donde Comprar?
Abertura cable (mm)
  • 40x10
Carga en VA
  • 2.5
  • 3
Clase de Precisión
  • 0.5
Relación de Corriente (A)
 
Su código postal
Relación de Corriente 200/5
Carga en VA 2.5-3
Clasificación de precisión 0.5-1
Apertura para cable (mm) 40x10
Certificación
Serie
SPCT
Amperaje primario
200

Accesorios / Artículos relacionados

Product added to wishlist
Product added to compare.